高溫鈦合金具有密度低、比強度高、耐腐蝕、耐高溫等特點,能夠在高溫條件下表現出較好的熱穩定性、較高的抗拉強度和抗蠕變性能[1-2],在航空、航天領域得到廣泛應用,并成為制造現代航空發動機機匣、葉盤的重要材料之一。Ti65合金是一種新型近a型高溫鈦合金,是由中國科學院金屬研究所在Ti60合金基礎上設計開發的,其使用溫度在600~650℃之間。與Ti60合金相比,Ti65合金中減少了Sn、Zr元素含量,增加了Ta、W元素含量,并添加了Si元素,從而有效改善了合金的抗蠕變性能和持久性能[2-3]。因此,Ti65合金除了具備較高的強度和良好的耐腐蝕性外,還獲得了在650℃下更好的高溫蠕變抗性和持久性能,使強度、韌性、蠕變性能和疲勞性能達到良好匹配[4]。a+β兩相鈦合金和近a鈦合金均具有優異的高溫力學性能,因此,Ti65合金理想的組織形態為雙態組織。為兼顧Ti65合金在室溫和高溫下的綜合性能,其鍛造和熱處理均在兩相區內完成,一般將等軸初生α相含量控制在5%~25%之間[5-7]。
熱處理是調控近a型鈦合金顯微組織和性能的重要手段之一,研究人員針對Ti65合金進行了大量熱處理工藝研究。吳汐玥等人[8]研究了固溶溫度對Ti65合金板材顯微組織和力學性能的影響,發現隨著固溶溫度的升高,等軸初生α相體積分數逐漸減少,經過1015℃/1h/AC+700℃/4h/AC熱處理后,等軸α相體積分數降低至5%左右,室溫及650℃高溫拉伸性能均匹配良好。Yue等人[6]在研究固溶冷卻速率對小規格Ti65合金棒材力學性能的影響時發現,隨著冷卻速率的加快,合金在室溫和650℃條件下的拉伸強度和塑性都得到顯著提高,持久時間先增加后減少,斷后伸長率先減小后增大。鄧雨亭等人[9]研究了厚截面Ti65合金餅坯鍛件的持久性能及位錯演變規律,發現從鍛件邊緣到心部,室溫抗拉強度和650℃高溫抗拉強度均逐漸降低,最后保持穩定,持久斷裂時間則逐漸增加,最后保持不變;厚片層α相內部彌散分布的a2相,有利于提升持久性能。譚海兵等人[10]研究了熱處理對Ti65合金棒材顯微組織與力學性能的影響,發現經過1030℃一次固溶+(800~950)℃二次固溶+700℃時效后,合金的室溫拉伸強度和屈服強度均呈現下降趨勢。此外,研究人員還開展了Ti65合金本構方程及動態再結晶模型的建立、熱變形后的顯微組織表征、織構演變及力學性能分析等工作[11-17]。固溶處理是鈦合金鍛件加工過程中最重要的環節之一,在不同的冷卻速率下,從β轉變組織中析出的次生α相形態不同,從而直接影響合金的力學性能。目前,固溶冷卻方式對Ti65合金厚截面鍛件顯微組織與力學性能的影響規律尚不明確。為此,以Ti65合金厚截面鍛件為研究對象,系統對比研究了固溶處理后風冷與油冷兩種冷卻方式對鍛件顯微組織、室溫拉伸性能以及650℃高溫拉伸、蠕變與持久性能的影響,旨在為該合金熱處理工藝的制定提供數據支撐,并推動Ti65合金的工程化應用。
1、實驗
實驗材料為?150mm的Ti65合金棒材,通過金相法測定棒材的相變溫度約為1043℃,其化學成分如表1所示。在1003℃下將棒材鍛造成如圖1a所示的盤形鍛件,最大厚度為120mm。自盤形鍛件中心沿縱向將其剖分為S1和S2兩塊,分別按照表2所示熱處理工藝進行固溶+時效處理。其中,S1鍛件采用風冷(FAC)方式冷卻,S2鍛件采用油冷(OC)方式冷卻。
表1 Ti65合金棒材化學成分(w/%)
Table 1 Chemical composition of Ti65 alloy bar
| Al | Mo | Zr | Sn | W | Si | Ta | Nb | Ti |
| 5.86 | 0.49 | 3.59 | 4.24 | 0.80 | 0.35 | 0.97 | 0.20 | Bal. |

表2 Ti65合金鍛件熱處理工藝
Table 2 Heat treatment processes of Ti65 alloy forging
| Sample | Heat treatment process |
| S1 | 1023℃/180 min/FAC+700℃/300 min/AC |
| S2 | 1023℃/180 min/OC+700℃/300 min/AC |
表3蠕變和持久性能測試條件
Table 3 Testing conditions of creep and stress rupture properties
| Testing item | Temperature/℃ | Stress/MPa | Time/h |
| Creep | 650 | 120 | 50 |
| Stress rupture | 650 | 240 | ≥100 |
| 650 | 280 | ≥40 |
2、結果與分析
2.1顯微組織

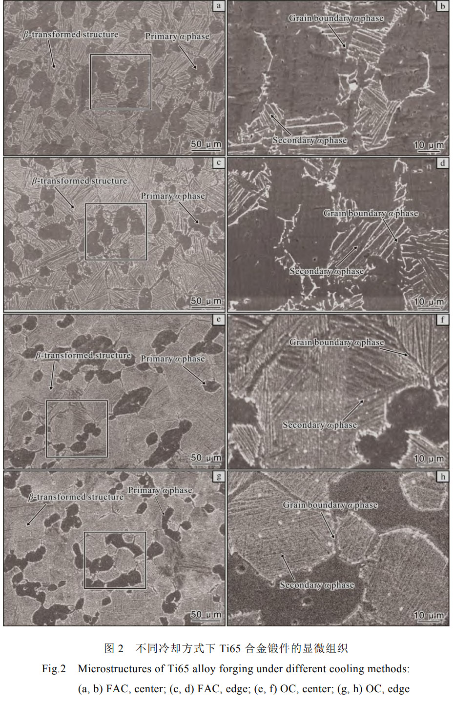
Ti65合金的固溶溫度處于a+β兩相區,在保溫過程中形成了明顯的晶界,隨后的風冷或油冷過程中,在形成晶界α相的同時,β轉變組織中逐漸析出了交織排布的片層狀次生α相。由于冷卻速率不同,析出的晶界α相和片層狀次生α相的厚度各不相同。當以風冷方式冷卻時,整體冷卻速率較慢,鍛件邊緣先冷卻,β轉變組織中的片層狀次生α相不再長大,而心部仍然保持高溫狀態,片層狀次生α相繼續長大,造成鍛件心部的片層狀次生α相厚度略大于邊緣。與風冷相比,油冷的冷卻速率更快,鍛件心部和邊緣的冷卻速率相近,晶界上和β轉變組織中析出的次生α相均來不及長大,因而鍛件心部和邊緣的初生α相含量、晶粒尺寸以及β轉變組織中的片層狀次生α相厚度差異很小,且與風冷后的次生α相相比更加細小。
2.2拉伸性能

細晶強化是金屬材料最有效的強化方法之一。根據位錯理論,晶界阻礙位錯運動,晶粒越細小,晶界數量越多,相鄰晶粒產生變形或運動需要的應力越大,強化效應越顯著。Ti65合金在冷卻過程中析出的片層狀次生α相交織排布,形成了大量的α相與β相界面,從而阻礙了位錯滑移,減小了位錯的有效滑移長度,使合金得到強化,強度明顯提高[18]。
Ti65合金鍛件以風冷方式冷卻時,析出的片層狀次生α相厚度為3~5μm,強化效果相對較弱,抗拉強度和屈服強度分別為1015MPa和904MPa,斷后伸長率和斷面收縮率分別為11%和21.5%。當鍛件以油冷方式冷卻時,析出的片層狀次生α相厚度減小到1~3μm,α相與β相界面增多,強化效果增強,抗拉強度和屈服強度分別增加至1099MPa和996MPa,斷后伸長率和斷面收縮率則下降至9.5%和11%。

以上實驗結果表明,固溶冷卻速率的加快可以提升合金的室溫強度、650℃強度和塑性,但會使室溫塑性下降。抗拉強度與冷卻過程中析出的片層狀次生α相厚度呈正相關關系。
2.3蠕變性能


金屬材料的高溫蠕變由晶界的滑動以及晶內的位錯攀移和滑移主導。在高溫蠕變過程中,顯微組織形態是決定其蠕變性能的重要因素:等軸狀初生α相的界面較多,抗蠕變性能較差;片層狀次生α相的界面較少,抗蠕變性能較好[20]。風冷方式下鍛件的初生α相體積分數與油冷鍛件的初生α相體積分數相近,但油冷方式下鍛件的片層狀次生α相厚度小于風冷方式,使其具有更多的界面,因此,油冷鍛件的抗蠕變性能更好。
材料的蠕變性能反映了材料長期在恒溫、恒載荷作用下抵抗緩慢塑性變形的能力。本實驗中,隨著冷卻速率的加快,冷卻過程中析出的片層狀次生α相厚度減小,使得Ti65合金鍛件抵抗蠕變變形的能力增強。因此,對于Ti65合金鍛件,其蠕變性能與固溶冷卻過程中析出的片層狀次生α相厚度呈負相關關系。
2.4持久性能

持久性能反映了材料在高溫環境下長時間使用時保持力學性能的能力。由圖2可知,隨著冷卻速率的加快,Ti65合金片層狀次生α相的厚度減小,導致初生α相和β相界面數量增多,阻礙位錯滑移和攀移的能力增大,這使得合金在恒定應力載荷作用下需要較大的應力才能產生裂紋,同時裂紋沿晶界擴展的曲折程度增加,消耗的能量增加,從而提高了合金的持久性能[21]。
以上實驗結果表明,Ti65合金鍛件的持久性能與固溶冷卻過程中析出的片層狀次生α相厚度呈負相關關系。
3、結論
(1)Ti65合金鍛件固溶處理時分別以風冷和油冷方式冷卻后,形成了厚度不一的片層狀次生α相,顯微組織均為等軸狀初生α相和β轉變組織組成的雙態組織。
(2) Ti65合金鍛件的力學性能與其片層狀次生α相厚度有直接關系。隨著固溶冷卻速率的加快,片層狀次生α相的厚度顯著減小,室溫強度提高、塑性下降,650℃拉伸、蠕變和持久性能均增大。
參考文獻 References
[1]向霽旸,宋雨宸,王琳,等.蠕變預加載Ti6321鈦合金的動態力學性能和絕熱剪切研究[J].稀有金屬材料與工程,2024,53(7):2035-2041.
[2]戴毅,曹江海,秦羽滿,等.Ti60合金VAR熔煉過程熔體流動與宏觀偏析的數值模擬研究[J].稀有金屬材料與工程,2024,53(3):701-708.
[3]張智鑫.Ti65合金薄板軋制成形及其組織力學性能關系[D].西安:西北工業大學,2021.
[4]劉瑩瑩,陳子勇,金頭男,等.600℃高溫鈦合金發展現狀與展望[J].材料導報,2018,32(11):1863-1869.
[5]黨博豪,辛社偉,劉卓萌,等.Ti650合金650℃熱暴露組織與性能研究[J].稀有金屬材料與工程,2025,54(10):2575-2582.
[6] Yue K, Liu J R, Zhu S X, et al. Origins of different tensile behaviors induced by cooling rate in a near alpha titanium alloy Ti65[J]. Materialia,2018,1:128-138.
[7] Yue K, Liu J R, Zhang H J, et al. Precipitates and alloying elements distribution in near a titanium alloy Ti65[J]. Journal of Materials Science and Technology,2020, 36: 91-96.
[8]吳汐玥,陳志勇,程超,等.熱處理對 Ti65鈦合金板材的顯微組織、織構及拉伸性能的影響[J].材料研究學報,2019,33(10):785-793.
[9]鄧雨亭,王旭,劉英颯,等.Ti65合金餅坯鍛件持久性能及位錯演變規律研究[J].鈦工業進展,2024,41(3):1-8.
[10]譚海兵,臧健,梁弼寧,等.中溫熱處理對Ti65合金淬火組織及室溫拉伸性能的影響[J].材料研究學報,2023,37(12):881-888.
[11]李萍,許海峰,孟淼,等.Ti65鈦合金熱變形行為及本構方程[J].塑性工程學報,2024,31(2):120-128.
[12]田垚,余俊,張浩,等.耦合氫含量的置氫Ti65高溫鈦合金本構方程[J].鍛壓技術,2023,48(6):204-213.
[13]邵光保,胡進,占克勤,等.置氫Ti65鈦合金高溫流變行為和熱加工性能[J].鍛壓技術,2023,48(8):253-260.
[14] Zhang Z X, Fan J K, Tang B, et al. Microstructural evolution and FCC twinning behavior during hot deformation of high temperature titanium alloy Ti65[J]. Journal of Materials Science& Technology,2020,49:56-69.
[15] Zhang Z X, Fan J K, Wu Z H, et al. Precipitation behavior and strengthening-toughening mechanism of hot rolled sheet of Ti65 titanium alloy during aging process[J]. Journal of Alloys and Compounds,2020,831:154786.
[16] Zhang Z X, Fan J K, Li R F, et al. Orientation dependent behavior of tensile-creep deformation of hot rolled Ti65 titanium alloy sheet[J]. Journal of Materials Science and Technology,2021,75:265-275.
[17] Zhao D, Fan J K, Zhang Z X, et al. Influence of a+β solution treatments on Ti65 ultrathin sheets: silicide precipitation,mechanical behaviour and novel{1011} twinning system[J].Transactions of Nonferrous Metals Society of China, 2023,33(4):1098-1113.
[18]王志錄,胡博文,范佳俊,等.冷卻速率對Ti55531合金組織與性能的影響[J].鈦工業進展,2023,40(6):22-26.
[19]劉智恩.材料科學基礎[M].5版.西安:西北工業大學出版社,2019:239-241.
[20]劉秀良,王海豐,商國強,等.鍛造溫度和變形量對 Ti65合金組織和性能的影響[J].中國材料進展,2024,43(11):1043-1050.
[21]孫昊,劉征,趙子博,等.熱處理工藝對Ti60合金持久性能的影響[J].鈦工業進展,2020,37(1):22-26.
(注,原文標題:冷卻方式對Ti65合金鍛件組織和性能的影響_劉秀良)
相關鏈接
- 2026-03-10 面向航空發動機壓氣機部件用TC8鈦合金棒材制備工藝-組織-性能關聯機制及長壽命服役性能保障研究
- 2026-03-05 面向下一代航空發動機的Ti65高溫鈦合金厚截面鍛件650℃持久性能、位錯動力學及組織調控技術基礎
- 2026-01-25 熱處理工藝對Ti65高溫鈦合金冷軋薄板顯微組織與力學性能的調控及拉伸變形機制研究——系統探究退火溫度、冷卻速率的影響規律,通過準原位
- 2026-01-18 銑削參數對Ti65高溫鈦合金表面粗糙度/殘余應力/硬度的影響規律:每齒進給量是表面粗糙度首要影響因素,銑削速度與每齒進給量主導殘余壓應力
- 2026-01-03 全溫度區間退火調控TA15鈦合金組織-性能關聯機制:斷口從韌性韌窩轉變為脆性解理特征,建立完整“退火工藝-相組成-力學性能”關系,填補β單相
- 2025-12-28 Ti650高溫鈦合金棒材熱加工-組織-高溫性能一體化研究:影響棒材強度與抗蠕變性能,1000℃軋制時抗蠕變性能最佳,構建軋制溫度-組織-高溫性能關
- 2025-12-19 面向航空發動機零件的TA19鈦合金棒材鍛造工藝優化基礎研究——聚焦組織織構演變與鍛造參數的關聯,量化不同火次/位置α相尺寸與長寬比變化
- 2025-12-06 650℃高溫環境下Ti-48Al-2Cr-2Nb鈦鋁合金超高周疲勞行為研究——基于超聲疲勞試驗的S-N曲線特征、斷口機制及裂紋萌生擴展規律解析,為航空
- 2025-12-02 面向高超聲速飛行器復雜薄壁件成形Ti65高溫鈦合金超塑性研究——揭示變形溫度/應變速率對超塑均勻性、小角度/大角度晶界演變的影響及動
- 2025-11-24 中國航空鈦合金應用從追趕到領跑的發展歷程與技術突破——見證從J-7到J-20/C919的機型用鈦升級,解析發動機用鈦比例從2%到41%的性能躍升,攻

